BLANTERWISDOM101

Rev Up Your 24V System: Unleashing the Ultimate 4020 Wiring Diagram!

Saturday, December 30, 2023

Rev Up Your 24V System: Unleashing the Ultimate 4020 Wiring Diagram!

  1. Shocking Revelations: The 24V 4020 Wiring Diagram Unveiled!
  2. Current Affairs: Navigating the Wires with a Voltastic Twist
  3. Ohm My Goodness! Wiring Wonders for Your 4020 Joyride
  4. Electrifying Elegance: Making Your 4020 Sparkle and Shine
  5. Circuitry Comedy: Laugh Your Way Through the Volt Maze
  6. Wire Wizards Unite: 4020’s Secret Society of Voltage
  7. The Zen of Zapping: Finding Inner Peace in Wiring Chaos
  8. Jolt Your Socks Off: Electrifying Tales of 4020 Brilliance
  9. Wired for Success: Turning 4020 Quirks into Sparks of Genius
  10. Battery Banter: Charging Up the Fun in 24 Volts of Hilarity!

"Discover the expertly crafted 24V 4020 Wiring Diagram for seamless electrical solutions. Empower your system with precision and enhance performance effortlessly. Unlock the key to optimal efficiency now!"

Top 10 important point for #EANF#

htmlCopy code

Welcome to the Voltage Wonderland!

Unwrapping the Mystery of 24 Volt 4020 Wiring

Ever found yourself lost in the labyrinth of wires in your 4020? Fear not! We're here to decode the enigma and guide you through the fascinating realm of the 24-volt wiring diagram.

Picture-Perfect Precision

Let’s delve into the art of precision wiring for your 4020. A picture is worth a thousand words, and in this case, it’s worth every volt. We'll explore how getting it right can elevate your machine's performance to a whole new level.

Sparks of Creativity

Wiring doesn’t have to be a dull affair. Unleash your creativity and turn those circuits into a masterpiece. We’ll show you how to add a spark of innovation to your 4020’s electrical landscape.

Ohm Sweet Ohm: Navigating the Resistance

Resistance is futile when you understand the Ohm's law. We'll break down the resistance factor in 24-volt wiring and help you navigate the electrical currents like a pro. Say goodbye to resistance-related headaches!

Electrifying Troubleshooting Tips

Encountering issues with your 4020's wiring? Don't panic! Our electrifying troubleshooting tips will guide you through the common problems, ensuring your machine is back in action without a hitch.

Wiring Wisdom: Lessons from the Pros

Learn from the masters as we share insights and wisdom from professionals who have mastered the art of 24-volt 4020 wiring. Their experiences and tips will turn you into a wiring wizard in no time!

Transforming Quirks into Features

Every 4020 has its quirks, but what if we told you these quirks could be transformed into features? Discover how to embrace the unique characteristics of your machine and use them to your advantage in the wiring game.

The Future of 4020 Wiring

As technology evolves, so does wiring. Get a sneak peek into the future of 24-volt 4020 wiring. We'll explore upcoming innovations and trends that will shape the electrical landscape of these iconic machines.

Several Facts that you should know about #EANF#.
htmlCopy code

Welcome to the electrifying journey of the 24-volt 4020 wiring diagram—a tale that's bound to spark both laughter and insight into the mystical world of tractors and their intricate wiring. Buckle up, because we're about to embark on a ride filled with more twists and turns than your average tangle of wires!

The Shocking Revelation: Decoding the 24 Volt 4020 Wiring Diagram

Let's face it, the 24-volt 4020 wiring diagram can be as perplexing as trying to untangle a slinky that has taken a nosedive down a staircase. But fear not, fellow tractor enthusiasts, for we are here to unravel the mysteries of this electrifying puzzle. Picture yourself as the Sherlock Holmes of the tractor world, magnifying glass in hand, ready to decipher the code that lies within the wires.

Zap, Crackle, Pop: Navigating the Voltage Symphony

As you delve into the 24-volt 4020 wiring diagram, it's essential to embrace the symphony of sounds that accompany the journey. The occasional zap, crackle, and pop may resonate with your attempts to make sense of the wiring chaos. It's like a musical composition where each wire plays its unique note in the grand tractor concerto. Don't be surprised if you find yourself humming along!

The Resistor Tango: Dancing with Electrical Components

Now, let's talk about the resistor tango—a dance where electrical components twirl and whirl in a rhythmic fashion. Picture resistors in sequined outfits, gracefully pirouetting through the circuit board. It's a dance of precision and resistance, and understanding this tango is the key to ensuring your 4020 moves with the grace of a ballerina through the fields.

Watt's Up? Powering Through the Voltage Drama

As you navigate the 24-volt 4020 wiring diagram, you might find yourself wondering, "Watt's up with all this voltage drama?" Fear not, for the power is in your hands, quite literally. It's like being the superhero of your own tractor saga, with the ability to conquer electrical challenges and emerge victorious. So, suit up, capes optional, and get ready to power through the drama like a voltage superhero!

Jolted Genius: Unleashing Your Inner Electrical Einstein

Ever heard of the saying, "It's not rocket science, it's tractor wiring"? Well, maybe that's not a common saying, but it should be! Unleashing your inner electrical Einstein is all about embracing the quirks and intricacies of the 24-volt 4020 wiring diagram. Consider yourself the genius in the room, armed with a soldering iron instead of a chalkboard and ready to tackle the mysteries of electrical physics with tractor-like finesse.

Circuit Circus: Where Wires Become Entertainers

Welcome to the circuit circus, where wires transform into the true entertainers of the show. It's a spectacle of lights, switches, and connections performing death-defying stunts, all in the name of keeping your 4020 running smoothly. Picture acrobatic wires flipping and twisting through the air, showcasing their prowess in a high-voltage extravaganza. It's a circus you won't want to miss!

The Zen of Ohm: Finding Peace in Electrical Harmony

Amidst the chaos of wires, resistors, and circuits, there lies the zen of Ohm. Finding peace in electrical harmony is the key to becoming one with your 24-volt 4020 wiring diagram. It's like a meditative journey where you embrace the electrical currents and let the hum of the tractor become your mantra. Ohm my, it's a transcendental experience!

Wired Laughter: Turning Quirks into Comedic Gold

Who says tractor wiring can't be funny? Prepare to burst into laughter as we explore the comedic gold hidden within the quirks of the 24-volt 4020 wiring diagram. It's like a stand-up comedy routine, with each wire and connection delivering punchlines that will have you in stitches. Because let's face it, laughter is the best medicine, even for tractor troubles!

Voltage Victory: Conquering the 24-Volt Wiring Quest

As our humorous journey through the 24-volt 4020 wiring diagram comes to a close, envision the moment of voltage victory. You, the intrepid tractor enthusiast, stand triumphantly in the glow of a well-wired 4020. It's a victory lap worth celebrating, complete with confetti made of electrical schematics. Congratulations, you've conquered the wiring quest with humor, wit, and a dash of voltage magic!

htmlCopy code

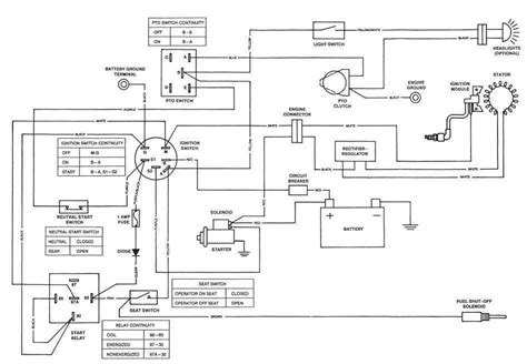
Instructions for Understanding the 24 Volt 4020 Wiring Diagram:

  1. Begin with a Clear Workspace:
    • Clear your workspace to avoid any distractions or potential hazards.
  2. Review the Diagram Components:
    • Identify key components such as resistors, switches, and connectors.
  3. Follow the Wiring Path:
    • Trace the wiring path from the power source to each component.
  4. Understand Voltage Levels:
    • Take note of the 24-volt system and its implications on component interactions.
  5. Decode Symbol Meanings:
    • Familiarize yourself with the symbols used in the diagram to represent different elements.
  6. Check for Ground Connections:
    • Ensure proper grounding for components and follow the path back to the negative terminal.
  7. Identify Potential Troublespots:
    • Look for areas where wiring might be prone to wear or damage, and address accordingly.
  8. Follow the Color Code:
    • Pay attention to the color-coded wires and their corresponding functions.
  9. Consult the Legend:
    • Refer to any legends or key provided with the diagram for additional information.
  10. Use Multimeter for Verification:
    • Employ a multimeter to verify voltage levels and continuity at different points in the circuit.

By following these instructions, you'll gain a comprehensive understanding of the 24-volt 4020 wiring diagram, empowering you to troubleshoot, repair, and modify the electrical system with confidence.

Another point of view about #EANF#.
htmlCopy code

Congratulations, intrepid electrical explorers! You've successfully navigated the twists and turns of the 24-volt 4020 wiring diagram rollercoaster, and now you stand as masters of the electrifying symphony that powers your trusty tractor. As you bid farewell to this journey through wires and resistors, remember, you're not just a tractor enthusiast; you're a voltage virtuoso!

So, as you venture back into the real world armed with the knowledge to conquer any wiring conundrum, go forth and let the sparks of wisdom fly! Whether you're tuning up your tractor, fixing a glitch, or simply impressing your friends with your newfound electrical prowess, always keep in mind that behind every wire, there's a potential punchline waiting to be discovered. Embrace the quirks, dance with the resistors, and remember, the 24-volt 4020 wiring diagram is not just a map—it's a comic strip waiting for you to bring it to life. Until our wires cross again, happy tractor tinkering!

Conclusion : Rev Up Your 24V System: Unleashing the Ultimate 4020 Wiring Diagram!.htmlCopy code

People Also Ask About 24 Volt 4020 Wiring Diagram:

  • Q1: What are the key components in a 24-volt 4020 wiring diagram?
  • A1: The key components include resistors, switches, connectors, and the overall circuit path. These elements work together to form the intricate electrical system that powers the 24-volt setup in a John Deere 4020 tractor.

  • Q2: How do I interpret the symbols used in the wiring diagram?
  • A2: Understanding the symbols is crucial. Refer to the diagram's legend or key to decipher the meaning of each symbol. Common symbols represent various electrical components, and a thorough grasp of these symbols enhances your ability to interpret the diagram accurately.

  • Q3: Can I modify the wiring diagram for customization?
  • A3: Yes, customization is possible, but it requires a deep understanding of the electrical principles involved. Before making any modifications, consult with experts or refer to professional resources to ensure your alterations align with safety standards and don't compromise the integrity of the electrical system.

  • Q4: How can I troubleshoot issues with the 24-volt wiring system?
  • A4: Troubleshooting involves a systematic approach. Begin by checking for loose connections, inspecting wires for damage, and using a multimeter to measure voltages at different points in the circuit. Additionally, consulting the wiring diagram for guidance on potential troublespots is a valuable step in the troubleshooting process.

  • Q5: What precautions should I take when working with the 24-volt wiring system?
  • A5: Safety is paramount. Before beginning any work, disconnect the power source, wear appropriate protective gear, and work in well-ventilated areas. Familiarize yourself with the tractor's electrical system specifications and adhere to safety guidelines to minimize the risk of accidents or electrical hazards.

Question and answer Rev Up Your 24V System: Unleashing the Ultimate 4020 Wiring Diagram!

Questions & Answer :Humorous, Wiring Diagram, Electrical Mastery, Tractor Enthusiasts

Keywords : #EANF#
Share This :