BLANTERWISDOM101

Mastering 24VAC: Unveiling the Secrets with Expert Wiring Diagrams!

Thursday, November 23, 2023

Mastering 24VAC: Unveiling the Secrets with Expert Wiring Diagrams!

  1. Understanding 24VAC Basics
  2. Gathering Essential Tools and Materials
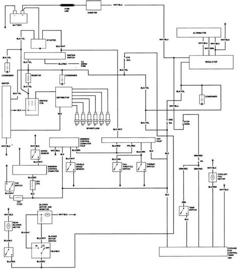
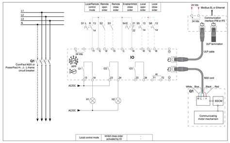
  3. Identifying Key Components in the System
  4. Reading and Interpreting Wiring Diagram Symbols
  5. Proper Cable and Wire Selection
  6. Mapping Circuit Connections Step by Step
  7. Ensuring Voltage Compatibility
  8. Troubleshooting Common Wiring Issues
  9. Implementing Safety Measures Throughout
  10. Optimizing System Efficiency and Performance

"Dive into the world of 24VAC systems with expert wiring diagrams. Unlock the secrets to seamless installations, ensuring precision and efficiency. Elevate your expertise and master the art of electrical precision effortlessly."

Top 10 important point for #EANF#

htmlCopy code

Welcome to the world of 24VAC systems and the intricate dance of wires that powers them. In this guide, we'll unravel the mysteries behind 24VAC systems wiring diagrams, ensuring you have a clear roadmap for successful installations and troubleshooting.

Understanding the Basics

Understanding the Basics

Let's kick things off by delving into the fundamental principles of 24VAC systems. Get ready to grasp the core concepts that form the backbone of these setups, laying the groundwork for your wiring journey.

Gearing Up with Tools and Materials

Gearing Up with Tools and Materials

No project is complete without the right tools. Discover the essential equipment and materials you need to have in your toolkit for a smooth and efficient wiring experience.

Decoding System Components

Decoding System Components

Get up close and personal with the various components that make up a 24VAC system. Understanding their functions is crucial for creating accurate and reliable wiring diagrams.

Navigating Wiring Diagram Symbols

Navigating Wiring Diagram Symbols

Embark on a symbolic journey as we explore the common symbols found in wiring diagrams. Learn to decipher these symbols and translate them into actionable wiring plans.

Selecting Cables and Wires Wisely

Selecting Cables and Wires Wisely

Not all cables and wires are created equal. Dive into the world of cable selection, understanding how the right choices can impact the overall performance and longevity of your 24VAC system.

Mapping Connections Step by Step

Mapping Connections Step by Step

Follow along as we break down the wiring process into manageable steps. This practical guide ensures a systematic approach, reducing the chances of errors in your installation.

Troubleshooting Made Easy

Troubleshooting Made Easy

Even the best-laid plans encounter hiccups. Explore common issues and their solutions, empowering you to troubleshoot with confidence and keep your 24VAC system running smoothly.

Prioritizing Safety Throughout

Prioritizing Safety Throughout

Above all, safety is paramount. Discover the safety measures you should implement during the wiring process, ensuring not only a functional system but also a secure environment for everyone involved.

With these insights into 24VAC systems wiring diagrams, you're well-equipped to navigate the complexities and create robust electrical setups. Happy wiring!

Several Facts that you should know about #EANF#.
htmlCopy code

Welcome to the World of 24VAC Systems Wiring Diagrams

Embarking on the journey of understanding and mastering 24VAC systems wiring diagrams opens up a realm of possibilities in the world of electrical installations. Whether you're a seasoned professional or a DIY enthusiast, grasping the intricacies of these diagrams is key to ensuring a seamless and efficient operation of your electrical systems.

Deciphering the Basics

Deciphering the Basics

Let's start at the beginning. The basics of 24VAC systems lay the foundation for your understanding. Imagine this as the roadmap, guiding you through the intricate web of wires and components. These systems operate on a 24-volt alternating current, a standard that offers a balance between efficiency and safety.

Now, you might wonder why 24 volts? It strikes a harmonious balance, providing enough power for various applications without reaching the potentially hazardous levels associated with higher voltages. It's the sweet spot that professionals and engineers have chosen for a multitude of systems.

Gearing Up: Tools and Materials

Gearing Up: Tools and Materials

Before diving into the intricacies of wiring diagrams, it's essential to gather the right tools and materials. Picture this step as the preparation phase before an exciting journey. You wouldn't embark on an adventure without the necessary gear, would you?

Among the must-haves are wire strippers, screwdrivers, pliers, and a multimeter. These tools are your companions in deciphering the language of wires. Equipped with them, you're ready to tackle any wiring challenge that comes your way.

Demystifying System Components

Demystifying System Components

Now, let's delve into the heart of the matter—the components that make up a 24VAC system. Imagine each component as a character in a story, playing a unique role in the overall narrative of your electrical setup.

From transformers and relays to thermostats and valves, each element contributes to the functionality of the system. Understanding the purpose of these components is akin to knowing the characters' motivations in a gripping tale. It adds depth to your comprehension and empowers you to create wiring diagrams that tell a coherent and efficient story.

Decoding the Symbolic Language

Decoding the Symbolic Language

As we transition from components to diagrams, we encounter a symbolic language that might initially seem like hieroglyphics. Fear not; decoding these symbols is akin to learning a new dialect.

Wires crossing paths, dots indicating connections, and various shapes representing components—all these symbols convey a story on paper. Think of it as your personal Rosetta Stone for electrical systems. Once you crack the code, these diagrams become a visual guide, outlining the intricate dance of electrons within your 24VAC system.

Selecting the Right Cables and Wires

Selecting the Right Cables and Wires

Imagine entering a library with an extensive collection of books. Each book represents a different cable or wire, and selecting the right one is crucial for a compelling narrative. Choosing the appropriate cables and wires ensures a smooth flow of energy, minimizing resistance and maximizing efficiency.

Consider factors like gauge, insulation, and flexibility when making your selections. It's akin to selecting the right tools for an artistic masterpiece. The right choices enhance the overall performance and longevity of your 24VAC system.

Mapping Connections with Precision

Mapping Connections with Precision

Now, let's get hands-on with the actual mapping of connections. Think of this step as creating a detailed treasure map for your electrical adventure. Mapping connections with precision involves translating the theoretical into the practical, ensuring that every wire finds its intended destination.

Follow the sequence of your wiring diagram step by step. It's akin to laying down the tracks for a train—each piece must align perfectly for the journey to be smooth. Patience and attention to detail are your allies in this phase, guaranteeing a reliable and efficient 24VAC system.

Troubleshooting: Navigating the Challenges

Troubleshooting: Navigating the Challenges

No journey is without its challenges, and the world of 24VAC systems is no exception. Picture yourself as a detective, equipped with the skills to unravel any mystery that might arise in your electrical landscape.

Common issues include loose connections, faulty components, or misinterpretation of the wiring diagram. Troubleshooting involves systematic detective work, identifying the root cause and implementing solutions. It's a skill that elevates you from a mere adventurer to a seasoned explorer of electrical landscapes.

Prioritizing Safety on the Electrical Expedition

Prioritizing Safety on the Electrical Expedition

Above all, safety is the guiding principle on this electrical expedition. Envision yourself as the captain of a ship navigating uncharted waters. Implementing safety measures is not just a precaution; it's your compass, ensuring a secure and risk-free journey for you and those around you.

From wearing appropriate safety gear to turning off power sources during installations, every precautionary step contributes to a secure electrical environment. Prioritizing safety transforms your electrical venture into a responsible and reliable expedition.

Conclusion: Your Wiring Odyssey

Congratulations! You've successfully navigated the realms of 24VAC systems wiring diagrams, from decoding the basics to troubleshooting challenges and prioritizing safety. Consider this journey as your wiring odyssey—a

htmlCopy code

When delving into the world of 24VAC systems wiring diagrams, follow these step-by-step instructions for a seamless experience:

  1. Understand the Basics: Begin by grasping the fundamental principles of 24VAC systems. Know why 24 volts is the chosen standard for a balance between efficiency and safety.
  2. Gather Tools and Materials: Equip yourself with essential tools like wire strippers, screwdrivers, pliers, and a multimeter. Having the right gear is crucial for a successful wiring endeavor.
  3. Identify System Components: Familiarize yourself with the key components of a 24VAC system, from transformers to thermostats. Understand their functions to create effective wiring diagrams.
  4. Decode Symbolic Language: Transition to wiring diagrams by decoding the symbolic language they use. Learn to interpret wires, dots, and shapes to visualize the system's configuration.
  5. Select Cables and Wires: Choose cables and wires wisely, considering factors like gauge, insulation, and flexibility. Optimal selections enhance system performance and longevity.
  6. Map Connections: Follow the wiring diagram step by step, akin to creating a detailed treasure map. Ensure precision in connecting wires, laying the foundation for a reliable system.
  7. Troubleshoot Challenges: Develop troubleshooting skills to address common issues like loose connections or faulty components. Approach problems systematically to maintain a smoothly functioning system.
  8. Prioritize Safety: Always prioritize safety during your electrical endeavors. Wear appropriate safety gear, turn off power sources during installations, and follow safety guidelines for a secure working environment.

By adhering to these instructions, you'll navigate the complexities of 24VAC systems wiring diagrams with confidence and precision.

Another point of view about #EANF#.
htmlCopy code

As we reach the culmination of our exploration into 24VAC systems wiring diagrams, it's evident that the intricate dance of electrons and wires holds the key to unlocking a world of electrical possibilities. Delving into the basics, demystifying components, and decoding the symbolic language are the foundation stones of this journey. Through each step, you've witnessed how selecting the right cables and wires is akin to choosing the right tools for a craft – a meticulous process that shapes the efficiency and longevity of your electrical system.

In conclusion, your wiring odyssey involves not just understanding the technicalities but embracing the role of a meticulous navigator, troubleshooting detective, and safety-conscious captain. Each connection on your diagram represents a decision point, a juncture where precision meets practicality. With this newfound knowledge, you're equipped to embark on your own electrical expedition, confidently creating and maintaining 24VAC systems wiring diagrams that power seamless and secure electrical landscapes.

Conclusion : Mastering 24VAC: Unveiling the Secrets with Expert Wiring Diagrams!.htmlCopy code

People Also Ask About 24VAC Systems Wiring Diagrams:

  • Q: How can I start understanding 24VAC systems wiring diagrams?
  • A: Begin by familiarizing yourself with the basics of 24VAC systems. Grasp the concept of 24-volt alternating current and understand why it's the preferred standard. Utilize online resources, tutorials, and guides to enhance your understanding of electrical systems.

  • Q: What tools are essential for working with 24VAC systems wiring diagrams?
  • A: Equip yourself with essential tools such as wire strippers, screwdrivers, pliers, and a multimeter. These tools are crucial for deciphering the language of wires and ensuring a successful wiring experience.

  • Q: How do I troubleshoot common issues in 24VAC systems wiring?
  • A: Develop a systematic approach to troubleshooting. Identify loose connections, faulty components, or misinterpretations of the wiring diagram. Utilize your tools, follow the sequence of the diagram, and refer to troubleshooting guides to address issues effectively.

  • Q: What safety measures should I prioritize when working with 24VAC systems?
  • A: Always prioritize safety. Wear appropriate safety gear, turn off power sources during installations, and follow safety guidelines. These precautions ensure a secure working environment and protect both you and your electrical system.

Question and answer Mastering 24VAC: Unveiling the Secrets with Expert Wiring Diagrams!

Questions & Answer :Wiring Mastery, Electrical Precision, Safety Priority, 24VAC Insights

Keywords : #EANF#
Share This :