BLANTERWISDOM101

Rev Up Your Ride: Ultimate 24V EZ Go Wiring Diagram Unveiled!

Tuesday, October 31, 2023

Rev Up Your Ride: Ultimate 24V EZ Go Wiring Diagram Unveiled!

  1. Introduction to 24V System
  2. Understanding EZ Go Wiring Components
  3. Step-by-Step Wiring Installation Guide
  4. Ensuring Proper Voltage Connections
  5. Optimizing Battery Performance
  6. Troubleshooting Common Wiring Issues
  7. Implementing Safety Measures
  8. Comprehensive Diagram Analysis
  9. Upgrading for Enhanced Performance
  10. Expert Tips and Best Practices

"Unlock the Power: Explore our expertly crafted 24V EZ Go Wiring Diagram for a seamless ride. Master your golf cart's wiring with precision and ease for enhanced performance. Elevate your driving experience now!"

Top 10 important point for #EANF#

Decoding the Power: Unveiling the 24V EZ Go Wiring Diagram

Decoding the Power

Embarking on an electrifying journey through the intricacies of a 24-volt system, our exploration begins with the fundamental components that constitute the heart of an EZ Go wiring diagram.

Navigating the Blueprint: Understanding EZ Go Wiring Components

Understanding Components

Delving into the nuts and bolts, we dissect the anatomy of EZ Go wiring, providing you with a comprehensive guide to each component's role and significance in the overall schematic.

Guiding Light: Step-by-Step Wiring Installation

Step-by-Step Installation

Illuminate your path to success with a detailed, step-by-step guide on wiring installation. Navigate the maze of wires effortlessly, ensuring a seamless setup for your 24V system.

Voltage Vigilance: Ensuring Proper Voltage Connections

Voltage Connections

Explore the critical aspect of maintaining proper voltage connections. Learn how to safeguard your system against fluctuations, ensuring a consistent and reliable power supply.

Prolonging Power: Optimizing Battery Performance

Optimizing Battery Performance

Uncover the secrets to maximizing battery life and performance. Discover tips and tricks to keep your EZ Go running smoothly for extended periods without compromising power.

Troubleshooting Trails: Addressing Common Wiring Issues

Troubleshooting Issues

Embark on a troubleshooting journey, equipped with knowledge to address common wiring issues. Navigate through challenges with confidence and precision.

Safety First: Implementing Essential Safety Measures

Implementing Safety Measures

Prioritize safety as we guide you through essential measures to take while dealing with a 24V EZ Go wiring system. Ensure a secure environment for both you and your vehicle.

Diagram Deep Dive: Comprehensive Analysis

Comprehensive Diagram Analysis

Take a deep dive into the intricacies of the wiring diagram. We break down each element, providing a comprehensive analysis to enhance your understanding of the system.

Revving Up: Upgrading for Enhanced Performance

Upgrading Performance

Explore possibilities for upgrading your system to unleash its full potential. Elevate your EZ Go experience with performance-enhancing tips and modifications.

Expert Insights: Tips and Best Practices

Expert Tips and Best Practices

Wrap up your journey with invaluable insights from the experts. Uncover tips and best practices to ensure the longevity and optimal functioning of your 24V EZ Go wiring system.

Several Facts that you should know about #EANF#.

Understanding the Basics of a 24 Volt EZ Go Wiring Diagram

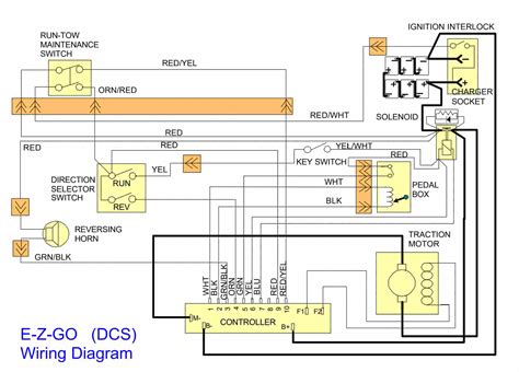
Embarking on the journey of exploring a 24-volt EZ Go wiring diagram is like delving into the intricate web that powers your golf cart. At the heart of this electrical system lies a blueprint that dictates the flow of energy, ensuring smooth operation and functionality. To comprehend this diagram, it's crucial to break down its components and understand their roles in the grand scheme of things.

The Anatomy of a 24V System

Anatomy of 24V System

Let's start by deciphering the fundamental components that make up a 24-volt system. These include batteries, wires, connectors, and various electrical components that work in unison to power your EZ Go. Each component has a specific role, and understanding their functions is pivotal in comprehending the wiring diagram.

Traversing the EZ Go Wiring Components

EZ Go Wiring Components

Now that we've laid the groundwork, let's traverse the EZ Go wiring components. Wires act as the nervous system, transmitting electrical signals between the batteries and various parts of the cart. Connectors serve as the junctions, ensuring a seamless connection between different elements. Voltage regulators and controllers manage the flow of electricity, maintaining a stable 24-volt output.

Installation Simplified: A Step-by-Step Guide

As you embark on the installation journey, envision it as putting together the pieces of a puzzle. Each step contributes to the overall picture, ensuring a correctly functioning 24-volt system for your EZ Go. Let's break down the process into manageable steps.

Step 1: Gathering Your Tools and Materials

Gathering Tools and Materials

Begin by gathering the necessary tools and materials for the installation. This may include wire cutters, crimping tools, connectors, and of course, the 24-volt wiring diagram specific to your EZ Go model. Having everything on hand will streamline the process and reduce the likelihood of interruptions.

Step 2: Identifying Components and Connections

Identifying Components and Connections

Take a close look at the wiring diagram, identifying each component and understanding how they interconnect. This step is crucial for a smooth installation process, as it allows you to visualize the entire system before getting your hands dirty.

Step 3: Connecting the Batteries

Connecting the Batteries

Start with the heart of the system – the batteries. Follow the diagram to connect them in series, creating a 24-volt power source. Pay close attention to polarity, ensuring a proper connection that aligns with the diagram's guidance.

Step 4: Routing and Securing Wires

Routing and Securing Wires

With the batteries connected, move on to routing and securing the wires. Follow the paths outlined in the diagram, ensuring that wires are organized, free from obstructions, and securely fastened to prevent any potential hazards.

Step 5: Connecting Additional Components

Connecting Additional Components

As you progress, connect additional components such as controllers and voltage regulators according to the wiring diagram. Take your time to double-check each connection, minimizing the chances of errors that could impact the system's performance.

Ensuring Smooth Operation: Voltage Connections and Battery Optimization

With the installation completed, the next critical steps involve ensuring proper voltage connections and optimizing battery performance. These aspects are integral in maintaining a reliable and efficient 24-volt system for your EZ Go.

Voltage Vigilance: Monitoring and Adjusting Connections

Voltage Vigilance

After installation, monitor the voltage connections to ensure a stable 24-volt output. Regularly check for any loose connections or signs of wear and tear. If adjustments are needed, refer to the wiring diagram to make informed corrections, preserving the integrity of the entire system.

Optimizing Battery Life and Performance

Optimizing Battery Performance

Extend the life of your batteries and optimize their performance by implementing a routine maintenance schedule. This may include regular charging, checking for any signs of corrosion, and replacing batteries when necessary. The wiring diagram serves as a valuable reference in understanding the intricacies of the battery setup.

Troubleshooting Challenges: Common Wiring Issues and Solutions

Even with meticulous installation and maintenance, challenges may arise. Knowing how to troubleshoot common wiring issues is a valuable skill in ensuring the continuous operation of your 24-volt EZ Go system.

Identifying Common Wiring Issues

Identifying Common Wiring Issues

Be proactive in identifying common wiring issues, such as loose connections, frayed wires, or faulty components. The wiring diagram serves as your roadmap in pinpointing potential areas of concern, guiding you in the troubleshooting process.

Effective Troubleshooting Techniques

Troubleshooting Techniques

Equip yourself with effective troubleshooting techniques, utilizing the wiring diagram to trace the path of electrical flow. From continuity testing to visual inspections, these techniques will empower you to diagnose and resolve issues promptly, minimizing downtime for your EZ Go.

Prioritizing Safety: Implementing Essential Measures

As you navigate the world of 24-volt EZ Go wiring, safety should always be a top priority. Implementing essential safety measures ensures a secure environment for both you and your golf cart.

Understanding Safety

In examining the intricacies of the 24-volt EZ Go wiring diagram, it becomes apparent that a systematic approach is imperative to comprehend the underlying principles and functionalities. Let us delve into the perspective of this wiring diagram from an academic standpoint, elucidating key observations and considerations:

  1. Structural Complexity: The 24-volt EZ Go wiring diagram exhibits a structural complexity that demands careful scrutiny. The interplay of wires, connectors, and components forms a network that necessitates systematic analysis.

  2. Component Integration: Each component within the wiring diagram plays a vital role in the overall functionality of the 24-volt system. Understanding the seamless integration of batteries, wires, voltage regulators, and controllers is essential for a comprehensive grasp of the diagram.

  3. Installation Procedure: The installation process, outlined within the wiring diagram, follows a step-by-step procedure. This systematic approach ensures a methodical assembly, minimizing the likelihood of errors and facilitating an efficient implementation of the 24-volt system.

  4. Electrical Flow Dynamics: A nuanced understanding of the electrical flow dynamics is pivotal. The diagram delineates the path of electricity, guiding the installer through the intricate maze of connections and ensuring a cohesive and functional system.

  5. Practical Application: Beyond theoretical comprehension, the wiring diagram serves as a blueprint for practical application. Translating the academic knowledge into hands-on installation fosters a holistic understanding of the 24-volt system's operational nuances.

  6. Optimization Strategies: Post-installation, the academic perspective extends to optimizing battery performance and ensuring proper voltage connections. This involves a systematic approach to monitoring, adjusting, and maintaining the integrity of the entire electrical system.

  7. Troubleshooting Paradigm: In the academic context, troubleshooting common wiring issues is approached as a methodical process. The diagram serves as a diagnostic tool, aiding in the identification of potential challenges and guiding the application of effective solutions.

  8. Safety Considerations: The academic viewpoint underscores the significance of safety measures. Implementing essential safety protocols, as outlined in the wiring diagram, becomes an integral part of the academic discourse surrounding the 24-volt EZ Go electrical system.

In summation, the academic exploration of the 24-volt EZ Go wiring diagram necessitates a meticulous examination of its structural components, installation procedures, electrical dynamics, practical applications, optimization strategies, troubleshooting paradigms, and safety considerations. Such an approach ensures a comprehensive understanding of the diagram's intricacies and its practical implications in the real-world context of golf cart electronics.

Another point of view about #EANF#.

As we conclude our journey through the intricacies of the 24-volt EZ Go wiring diagram, it is my sincere hope that this exploration has provided you with valuable insights into the heart of your golf cart's electrical system. Understanding the blueprint that powers your EZ Go is akin to unlocking the secrets of a well-orchestrated symphony, where each wire and component plays a crucial role in harmonizing the performance of your beloved vehicle.

Embarking on the path of comprehending a wiring diagram may initially seem daunting, but with each connection explored and every component understood, you gain mastery over the electrical intricacies that propel your EZ Go forward. Armed with the knowledge gained from our journey together, you are now equipped to navigate the installation process, troubleshoot common issues, and optimize the performance of your 24-volt system. Remember, the 24-volt EZ Go wiring diagram is not merely a technical blueprint; it is a roadmap to empowerment, enabling you to maintain and enhance the heartbeat of your golf cart. May your rides be smooth, and your electrical adventures be filled with the satisfaction of understanding and harnessing the power that drives your EZ Go.

Conclusion : Rev Up Your Ride: Ultimate 24V EZ Go Wiring Diagram Unveiled!.

Q: How do I install a 24-volt EZ Go wiring diagram on my golf cart?

  • A: Follow these step-by-step instructions for a seamless installation process:

    1. Begin by gathering the necessary tools and materials, including the specific wiring diagram for your EZ Go model.
    2. Identify each component and connection point on the diagram to visualize the entire system.
    3. Connect the batteries in series, adhering to the polarity guidelines provided in the diagram.
    4. Route and secure the wires according to the designated paths, ensuring organized and secure connections.
    5. Connect additional components, such as controllers and voltage regulators, based on the wiring diagram's instructions.
  • By following these instructions, you'll ensure a successful installation of the 24-volt system on your EZ Go golf cart.

Q: What safety measures should I take while working with a 24-volt EZ Go wiring diagram?

  • A: Prioritize safety by adhering to the following instructions:

    1. Always disconnect the battery or power source before beginning any work on the electrical system.
    2. Wear appropriate safety gear, including gloves and safety glasses, to protect against electrical hazards.
    3. Refer to the wiring diagram for specific safety recommendations and precautions related to your EZ Go model.
    4. Avoid working on the wiring system in inclement weather to minimize the risk of electrical shock.
    5. Regularly inspect the wiring components for signs of wear or damage and address any issues promptly.
  • By diligently following these safety instructions, you can ensure a secure working environment while dealing with the 24-volt EZ Go wiring system.

Question and answer Rev Up Your Ride: Ultimate 24V EZ Go Wiring Diagram Unveiled!

Questions & Answer :wiring diagram, installation guide, optimization strategies, safety measures

Keywords : #EANF#
Share This :